RICHTER ugradbena samozaključavajuća brava s panik funkcijom "E", za kuglaste/kvakaste okove
RICHTER ugradbena samozaključavajuća brava s panik funkcijom "E", za kuglaste/kvakaste okove
Mačka. broj:
0205-28935
Opis
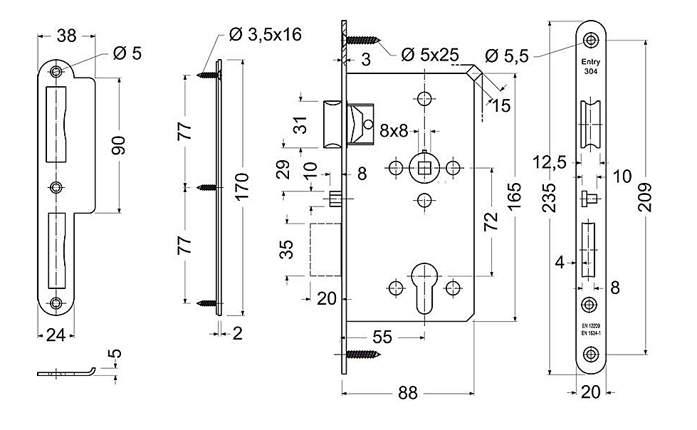
Samozaključavajuća brava s funkcijom panike "E", za kuglaste/kvakaste okove
EN.304.SZ.PA.KO.72.55.20.L
- Funkcija - zasun brave se automatski zaključava nakon zatvaranja vrata - ovo kretanje osigurava pomoćni zasun
- Pritiskom na ručku s unutarnje strane vrata, zasun se otključava.
- Jednostrana strelica, lijevo, sa zupčanikom
- Jednokrilna vrata
- Prednja strana, zasun, vijak i sigurnosna matica izrađeni od nehrđajućeg čelika SUS304
- Certificirano prema EN12209:2003 i EN1634-1:2008
- Prikladno za maksimalna opterećenja, čak i u protupožarnim i dimonepropusnim vratima
- Paket uključuje kontra ploču i 5 vijaka
Parametri
| Tip okova 1 | Utorna brava |
|---|---|
| Priključci tipa 2 | Vrata |
| Materijal | čelik |
| Ocjena | RICHTER |
| Površinska obrada | richter srebro |
| Jamčiti | 2 godine |



















































