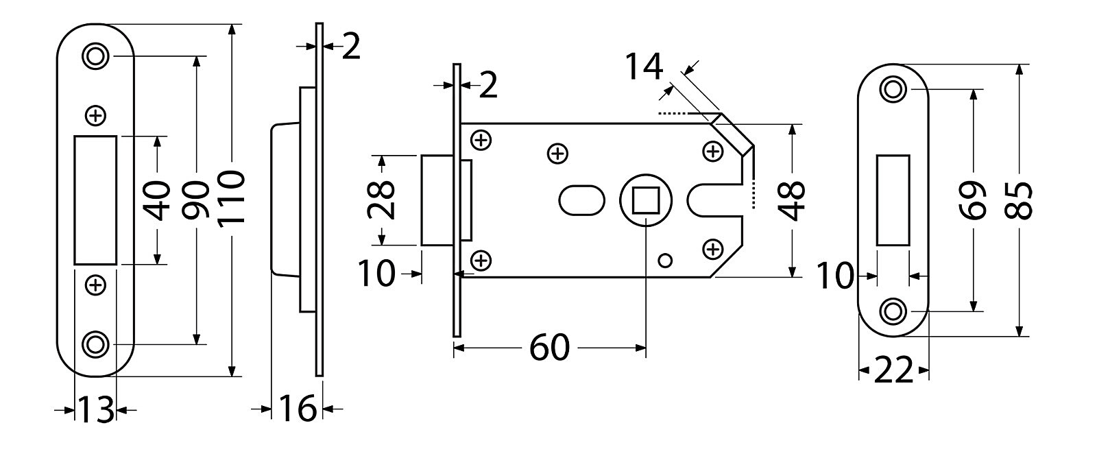
Magnetska brava za utor RICHTER za okove bez donjih rozeta EN.305.M.KL.60.22.(NIMAT)
Magnetska brava za utor RICHTER za okove bez donjih rozeta EN.305.M.KL.60.22.(NIMAT)
Mačka. broj:
0208-45819
Preporučamo kupiti
Opis
Magnetska brava za utore za okove bez donjih rozeta (npr. RK.S2.LIBERA)
- Matica s kvadratnom oprugom za zaključavanje
- Paket uključuje podesivu kontra ploču i 4 vijka.
Neto težina: 0,19 kg
Prednja površina: mat nikal (NIMAT)
Parametri
| Tip okova 1 | Utorna brava |
|---|---|
| Priključci tipa 2 | Vrata |
| Dizajn | Moderno |
| Ocjena | RICHTER |
| Površinska obrada | Richter nikal mat |
| Jamčiti | 2 godine |






















































