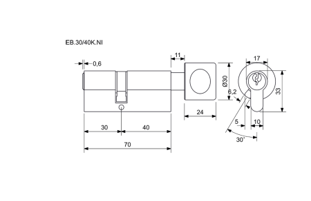
Konstrukcija 5-polni uložak - RICHTER.30/40K.NI
Konstrukcija 5-polni uložak - RICHTER.30/40K.NI
Mačka. broj:
0681-52138
Opis
Konstrukcija 5-pinski umetak
• 11.360 pravih kombinacija tipki
• Uložak se proizvodi u sljedećim izvedbama: dvostrani ili na gumb (K)
• Ključ koji se može slobodno kopirati
• Mogućnost zajedničkog zatvaranja - SU - vidi katalog dijelova
Materijal umetka: kombinacija mesinga (bubanj) i cinka (tijelo umetka)
Materijal ključa: mesing
Površina: mat nikal (NI)
Paket uključuje: 3 kom ključeva i 1 kom vijka 60 mm
• Standardno se umeci isporučuju u kutiji
• Mogućnost narudžbe u prozirnom blister pakiranju 9,-CZK/kom.
Parametri
| Priključci tipa 2 | Vrata |
|---|---|
| Ocjena | RICHTER |
| Površinska obrada - varijanta | Richter nikal mat |
| Jamčiti | 2 godine |
















































